티스토리 뷰
이번 시간에는 지난 포스팅에서(2년전에 올린) 최종적으로 나온 수식을 이용하여 Matlab을 통해 실제 모터 모델링을 진행하는 시간을 가지도록 하겠습니다.
일단 지난 포스팅의 마지막에 나온 수식은 다음과 같습니다.
$$V_a = Ri_a + L_a\frac{di_a}{dt}+K\omega$$
$$Ki_a = J\dot\omega + b\omega + T_L (\omega = \frac{d\theta}{dt})$$
각 문자가 의미하는 바를 까먹지 않기 위해 다시 한번 정리를 하면,
전기자 회로(Motor)
$v_a = La\frac{di_a}{dt} + R_ai_a + e_a$
$v_a : 전기자 회로에 가해지는 전압[V]$
$i_a : 전기자 권선의 전류[A]$
$R_a : 전기자 권선의 저항[\Omega]$
$L_a : 전기자 권선의 인덕턴스[H]$
$e_a : 역기전력(back Elecro-Motive Force, EMF)[V]$
회전력(Torque):
$T_m = k_T\phi i_a$
$T_m : 회전력$
$k_T : 토크상수[Nm/Wb/A]$
$\phi : 계자 자속$
유도 기전력:
$e_a = k_e\phi_f\omega_m$
$k_e : 역기전력 상수[Vs/rad/Wb]$
$\omega_m : 회전자의 회전 각속도[rad/s]$
기계시스템
$T_e = J\frac{d\omega_m}{dt} + b\omega_m + T_L$
$J = J_m + J_L$
$T_e : 모터에서 발생하는 토크[Nm]$
$J : 전체 시스템의 관성 모멘트[kg-m^2]$
$J_m : 회전자의 관성 모멘트[kg-m^2]$
$J_L : 부하의 관성 모멘트[kg-m^2]$
$b : 점성마찰계수[Nm/(rad/s)]$
이제 이렇게 풀어논 수식을 가지고 모터를 모델링을 하기위해서 라플라스 변환을 거친뒤 이를 블럭 선도로 나타내면,

위와 같이 표현이 가능합니다.
이렇게 나타낸 수식으로 실제 모터를 모델링 하기 위해 Maxon Motor의 데이터시트를 참고하여 모델링을 진행하면,
-Maxon Motor를 사용하는 이유는 모터의 상세 스펙이 자세히 적혀있기 때문(ex J, R, L 등 일반적인 모터에서 제공을 하지 않음)-


위 처럼 값을 넣어 테스트를 진행 할 수 있습니다.
[이때 B는 실험적으로 데이터를 찾게 되었다.]
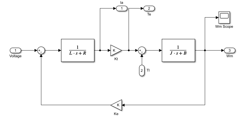
이후 Matlab의 Simulink 기능을 이용하여 위에서 만들었던 블럭선도처럼 시스템을 만들면,

위 처럼 수식으로 만들었던 모델링과 같게 구성할 수 있습니다.
-이때 Kt와 Ke는 거의 같은 값을 가짐-
이제 Voltage 값에 12V를 넣게되면 Noload Speed인 3790rpm에 근접한 값이 출력되는걸 확인 할 수 있습니다.

'Luanbot-factory > MISO-bot' 카테고리의 다른 글
| WSL2 Customize (1) | 2021.10.03 |
|---|---|
| WSL2 GUI 사용하기 (1) | 2021.10.02 |
| WSL2 Ubuntu VScode 연동 (2) | 2021.10.01 |
| WSL2 Ubuntu설치 (4) | 2021.09.30 |
| DC Motor Control -1- (1) | 2019.03.26 |